Система контроля протечки воды Neptun Base 100035530000 1/2

Написать отзыв
Свяжитесь с нами насчёт цены
Задать вопрос

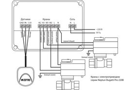
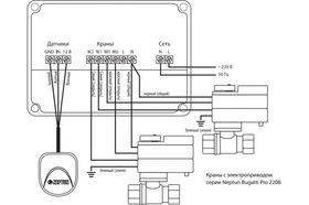
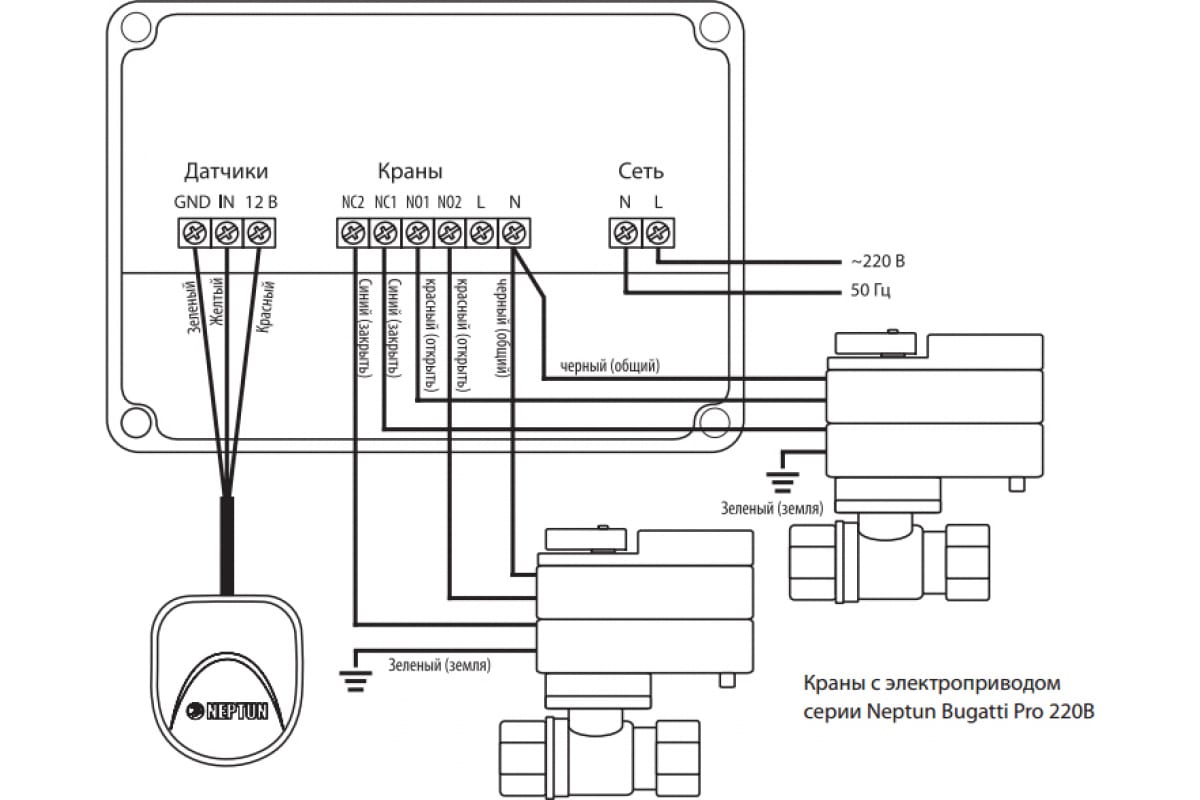
Система контроля протечки воды Neptun Base 1/2 включает в себя устройства для своевременной фиксации и блокировки протечек воды. Подходит для систем водоснабжения и отопления. В случае возникновения аварийной ситуации модуль управления Neptun Base отправляет управляющий сигнал на шаровый кран с электроприводом, который блокирует подачу воды. Система оповещает пользователя об аварийной ситуации световым и звуковым сигналами. Монтаж модуля осуществляется накладным способом.

Максимальное количество датчиков 20, максимальное количество кранов 6. Диаметр подключаемой трубы 1/2".

Тип: проводной

Max кол-во подключаемых датчиков протечки: 20 шт

Напряжение питания: 220 В

Мах кол-во подключаемых кранов: 6 шт

Диаметр вводных труб: 1/2 дюйм

Питание: сеть

WIFI-модуль: нет

Беспроводной: нет

Тип GSM-модуля: нет

Световой сигнал: есть

Звуковой сигнал: есть

Релейный выход: нет

Отзывы не найдены