Смеситель для кухни GROHE Zedra 30219DC2 суперсталь

Написать отзыв
Свяжитесь с нами насчёт цены
Задать вопрос

Общие характеристики

Тип

смеситель

Назначение

для кухни (мойки)

Управление

рычажное, сенсорное

Материал корпуса

латунь

Тип излива

выдвижной

Вид излива

традиционный

Запорный клапан

керамический картридж

Обратный клапан

есть

Особенности

аэратор, Гибкая подводка, Защита от обратного тока воды, Ограничитель расхода

Монтаж

Количество монтажных отверстий

1

Присоединительный размер

3/8"

Тип подводки

гибкая

Технические характеристики

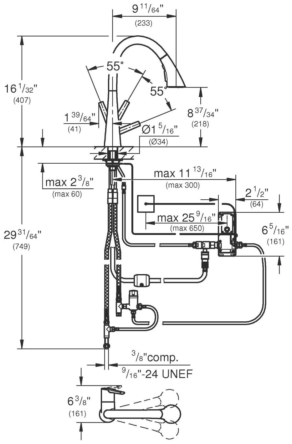
Длина излива

233 мм

Высота излива

218 мм

Высота

406 мм

Аэратор

есть

Отзывы не найдены