Смеситель Blanco 517611 Tivo-S хром/алюметаллик (выдвижной шланг)

Написать отзыв
Свяжитесь с нами насчёт цены
Задать вопрос

Общие характеристики

Тип

однорычажный

Назначение

для кухни (мойки)

Термостат

нет

Нагрев воды

нет

Запорный клапан

керамический картридж

Материал корпуса

латунь

Покрытие

двухцветный

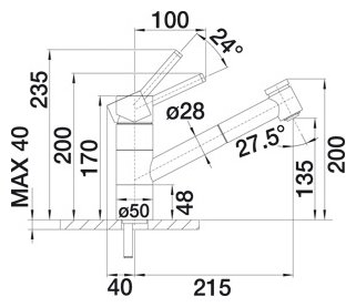
Форма излива

традиционная

Конструкция

поворотный излив

Монтаж

Монтаж

на горизонтальную поверхность

Встраиваемый

нет

Количество монтажных отверстий

1

Присоединительный размер

3/8"

Диаметр монтажных отверстий

35 мм

Тип подводки

гибкая

Комплектация

Выдвижной излив

есть

Аэратор

есть

Особенности

Излив

длина 215 мм, высота 135 мм

Размеры (Высота)

200 мм

Отзывы не найдены